Канальный вентилятор (низкопрофильный) Soler & Palau TD EVO-250 VAR
TD-EVO - это новая серия низкопрофильных круглых канальных вентиляторов с диагональными лопатками.
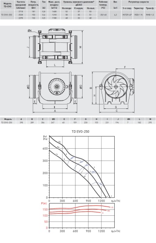
Модельный ряд состоит из нескольких типоразмеров с максимальным расходом воздуха от 210 до 1840 м3/ч.
Оптимизированная конструкция крыльчатки, направляющего аппарата и обтекателя на выходе воздуха позволяют увеличить производительность и снизить уровень шума вентилятора.
Вентиляторы изготавливаются из прочного высококачественного пластика. Уникальная конструкция корпуса и монтажного кронштейна позволяет производить обслуживание вентилятора без демонтажа воздуховодов. Воздухонепроницаемость прилегания центральной части вентилятора и монтажного кронштейна обеспечивают литые резиновые уплотнители.
Патрубки для присоединения воздуховодов также оснащены резиновыми уплотнителями.
Электродвигатели крепятся к корпусу при помощи резиновых “сайлент-блоков”, которые предотвращают передачу вибраций на корпус и обеспечивают пониженный шум от вентилятора, даже при регулировании скорости. Рабочие температуры от -20°С до +60°С.
TD-EVO-VAR
Модели TD-EVO-VAR оснащаются односкоростными электродвигателями переменного тока со встроенным регулятором скорости, с таймером и возможностью удаленного управления по сигналу 0-10В.
Максимальные рабочие характеристики моделей TD-EVO-VAR соответствуют кривой “HS” на графиках рабочих характеристик вентиляторов TD-EVO.
Вентилятор предназначен для использования в системах вентиляции и должен применяться в среде обычного, чистого воздуха, без каких-либо примесей. Не используйте данный вентилятор во взрывоопасной и коррозийной среде.
Не рекомендуется использовать вентилятор для отвода воздуха от кухонных вытяжных зонтов, мангалов, каминов и химических шкафов.
|
Присоединительный диаметр (мм)
|
247 |
|
Макс. площадь помещения, м2
|
370 |
|
Макс. расход воздуха (м3/ч)
|
1400 |
|
Класс защиты IP
|
IP44 |
|
Страна производитель
|
Испания |
|
Потребляемая мощность (Вт)
|
181 |
|
Ток (А)
|
0.8 |
|
Класс изоляции двигателя
|
F |
|
Диаметр воздуховода (мм)
|
250 |
|
Уровень звукового давления к окр. (дБ(А))
|
37 |
|
Частота вращения (об/мин)
|
2710 |
|
Макс. рабочая температура (°С)
|
60 |
|
Тип термозащиты
|
Встроенная |
|
Мин. рабочая температура (°С)
|
-20 |
|
Вес (кг)
|
6.2 |
|
Вытяжной\Приточный
|
Вытяжной |








